客服电话: 15313133006
2851832418
欢迎来到泰茂药厂云!
微信公众号
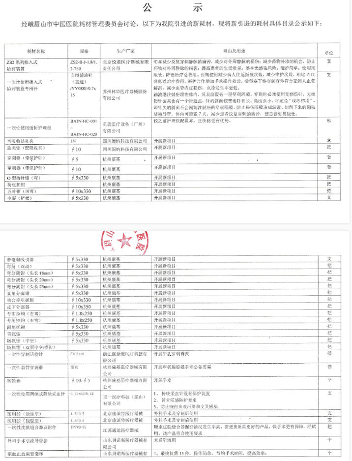
【乐山市峨眉山市中医医院】四川省乐山市峨眉山市中医医院2022年新进药品及耗材的公示
所属项目:四川省乐山市峨眉山市中医医院院标
发布时间:2022-11-08
信息来源:查看
正文:
国家中医药管理局
世界中医药杂志
中国中医科学院
医药网
环球医药网
中国国际健康营养博览会
中医药方网
医药卫生网
现代医药卫生
药渡
中华中医药学会
中国医药物资协会
中国非处方药物协会
奇点
39健康网
中原医疗器械展览会
医药魔方
生物谷
化学加网
肽度
网络备案:京ICP备12039121号-14
地址:北京市海淀区学清路9号汇智大厦B座7层 www.yaochangyun.com ©2016-2023 泰茂股份版权所有
经营性网站 备案信息
可信网站 信用评价
网络警察 提醒您
诚信网站
中国互联网 举报中心
网络举报 APP下载